retour table des matières

ACQUISITIONS de signaux H.F.:

 I    Objectifs
 II  Limites des interfaces ORPHY aux hautes fréquences.
      MODE RAPIDE de GTS2/GTI2

 III Acquisitions à partir d'un oscilloscope à mémoire 
 IV  Exemple: étude des signaux H.F. et B.F. en réception radio A.M.

Fichier Word correspondant

I Objectifs

Utiliser le mode rapide de GTS2/GTI2 (échantillonnage à 2 MHz) pour acquérir des signaux de quelques dizaines de kHz
Réaliser avec Regressi l'acquisition de signaux H.F. atteignant quelques centaines de kHz
Utiliser pour cela un oscilloscope numérique à mémoire avec sortie R.S. 232 (liaison série)
Acquérir, sauvegarder, et comparer entre eux les signaux des différents étages d'un récepteur radio en A.M. (modulation d'amplitude), pour comprendre le rôle de chacun de ces étages.
Je vais être capable de faire tout ça!

II Limites des interfaces ORPHY aux hautes fréquences.

    MODE RAPIDE de GTS2/GTI2

A. Principe de l'échantillonnage d'une tension périodique par Orphy

Sur l'ensemble des voies d'acquisition activées, l'interface prélève à intervalles réguliers Né échantillons pas seconde: Né représente donc la fréquence d'échantillonnage. Une période d'un signal sera donc acquise avec une résolution suffisante si le nombre d'échantillons par période vaut au moins 20 (cas d'un régime sinusoïdal), ce qui nécessite que Né soit au moins environ 20 fois(1) plus grande que la fréquence f du signal étudié:

Né > 20*f

Ceci dans le cas d'une seule voie d'acquisition. Si plusieurs voies sont actives, le système explore à tour de rôle (mais sans pouvoir augmenter sa fréquence d'échantillonnage maxima) chacune des voies: c'est le phénomène du multiplexage. Avec 3 voies actives par exemple, Né max sera 3 fois plus faible!

B. Limitation propre à chacune des interfaces

Suivant la génération à laquelle elles appartiennent, leur fréquence d'échantillonnage maxima sur une seule voie est plus ou moins limitée (limitation matérielle, et non pas logicielle): 

Né max:

f max acquise (en régime sinusoïdal):

Portable2:

100kHz

5 kHz environ

GTS2/GTI2:

100kHz

5 kHz environ

GTI (si 1 voie sans synchro):

313 kHz

15 kHz environ

GTS2/GTI2 (mode rapide)(2):

1 ou 2 MHz

50 kHz environ

C. Mode rapide répétitif d'ORPHY-GTS2/GTI2

1. Présentation

(extrait de la documentation du logiciel: fichier GTS2.DOC)
Ce mode permet de faire des acquisitions à une fréquence d’échantillonnage de 1 ou 2 MHz sur des signaux répétitifs. En fait Orphy GTS 2 effectue 10 (resp. 20) acquisitions successives décalées de 1 (resp. 0,5) µs. La voie permettant de synchroniser ces différentes acquisitions est la voie EAD1. L’autre voie possible est la voie EAD0.

 

2. Mise en œuvre du mode rapide répétitif

Brancher un G.B.F. sur la prise H d'ORPHY-GTS2/GTI2 au moyen d'un cordon "entrées différentielles" (repérable par la couleur BLEUE de sa fiche banane de référence); ou bien directement sur les prises type "banane" respectivement EAD1/YD1. Régler le G.B.F. à une fréquence de quelques dizaines de kHz.

Cliquer sur le bouton  et choisir "Options" puis dans la boite de dialogue prendre une vitesse lente de 9600 bauds

N.B.: Il est indispensable de s'assurer manuellement de ce réglage qui ne fait pas partie de ceux chargés automatiquement en utilisant la configuration pré réglée

BIEN UTILISER UN CORDON "ENTREES DIFFERENTIELLES"
    

Sélectionner le mode rapide répétitif en cliquant sur la zone "Mode" à droite.

Valider.

Cocher enfin "mono coup" en bas de la zone synchronisation à droite. Observer la PREMIÈRE acquisition.

Décocher "mono coup" et observer.

OU BIEN:

charger automatiquement la configuration d'acquisition pré réglée pour GTS2/GTI2

(NB: vitesse réglée préalablement à 9600 bauds) 

Pour disposer d'une 2è voie d'acquisition dans les mêmes conditions, il suffit de cliquer sur la zone "EAD0" en bas à droite de l'écran, et d'activer cette voie.

NB: Si une seule voie reste active, c'est toujours EAD1 (choix non modifiable).

cliquer sur la zone EAD0 et répondre "ACTIVER"

D. Possibilités des versions de Regressi pour oscilloscopes numériques

Elles concernent les oscilloscopes à mémoire équipés d'une sortie RS232 ou USB (c'est à dire permettant une liaison de type série ou USB avec l'ordinateur); certains pouvant être purement numériques (HP par ex), ou mixtes (Hameg, Métrix). Les versions de Regressi dédiées à ces oscilloscopes viennent alors lire par la voie série leur mémoire. Ces versions sont fournies sur le cédérom Tépéor-Regressi depuis 2002; il suffit d'installer la version

installation ou mise à jour des différentes versions de REGRESSI

correspondant à la marque de l'oscilloscope (Métrix, Hameg, Hewlett Packard).

oscilloscope à MEMOIRE nécessairement

 Le logiciel d'acquisition réalise une sorte de capture de l'écran, à raison de 1000 à 4000 points(3) prélevés; on s'affranchit ainsi de la limite de la fréquence d'échantillonnage d'Orphy, les seules limites devenant la limitation en fréquence de la base de temps de l'oscilloscope (plusieurs MHz en général), et les possibilités du logiciel… Ce qui donne le tableau comparatif: 

Né max:

f max acquise (en régime sinusoïdal):

Regressi + oscilloscope à mémoire:

10 à 100MHz

500 kHz

 On aura évidemment intérêt, pour se trouver dans les conditions optimales de résolution, à régler cette base de temps de façon à avoir une seule période à l'écran: les 1000 points de cette période seront alors transmis à Regressi!

III Acquisitions à partir d'un oscilloscope à mémoire

A. Branchements et mise en service

prise RS 232 (9 ou 25 broches) située à l'ARRIERE de l'appareil Raccorder la prise RS 232 de l'oscilloscope à mémoire directement à un port série de l'ordinateur (par exemple celui où est habituellement branché Orphy: com 1, com 2, etc.), au moyen d'un cordon série (généralement fourni avec l'oscilloscope), ce qui peut parfois nécessiter un adaptateur série 9/25 broches.

Mettre l'oscilloscope sous tension, et lancer le logiciel d'acquisition correspondant: la fenêtre logicielle ci-dessous doit apparaître: 

ß

Si le système prévient que l'oscilloscope n'a pas été détecté:

cela peut signifier:

soit que la liaison série n'a pas été établie entre les appareils (le logiciel détecte automatiquement sur quel port Com la liaison est établie)
soit que l'oscilloscope n'est pas sous tension
soit que la version du logiciel ne correspond pas à cette marque d'oscilloscope .

B. Configuration de l'oscilloscope

L'oscilloscope doit être configuré (une bonne fois pour toutes) pour communiquer avec le logiciel par la voie série: cliquer sur le bouton  pour faire apparaître les paramètres de configuration, et se conformer aux informations qui apparaissent. Une fois la configuration achevée, les paramètres rentrés sont sauvés automatiquement dans la R.O.M. de l'oscilloscope, donc conservés après sa mise hors tension.

C. Mise en œuvre

Régler l'oscilloscope de façon à optimiser l'oscillogramme: niveau référence, nombre de périodes, échelles, etc.
Cliquer sur   pour lancer la capture d'écran d'oscilloscope
Dès que les barres de remplissage indiquent que l'acquisition a été effectuée à 100%, cliquer  sur pour transférer vers Regressi.

 

D. Cas du mode X-Y: acquisition d'un seul cycle

mode X-Y: la case est décochée par défaut

La case à cocher "acquisition d'un cycle", présente au démarrage, disparaît dès la 1è acquisition en mode temporel. Elle réapparaît après la 1è acquisition effectuée en mode X-Y.

Le fait de la cocher limite l'acquisition à une seule période du signal observé à l'oscilloscope. Applications: étude de cycle d'hystérésis, figures de Lissajous, etc.

IV Exemple: étude des signaux H.F. et B.F. en réception radio A.M.

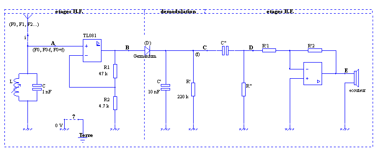
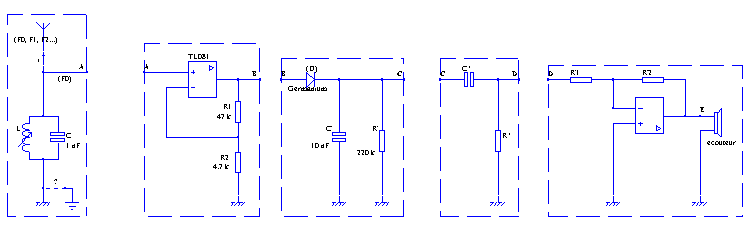
A. Le montage global

B. Le montage pas à pas

1. Circuit anti résonant, ou circuit d'accord H.F.

a. Principe

On utilise ici la propriété passe-bande d'un circuit L-C parallèle placé entre l'antenne et la masse. Il ne transmet que le signal dont la fréquence est proche de sa fréquence propre; Pour pouvoir sélectionner différents émetteurs, on fait donc en sorte que l'accord de ce circuit soit réglable par modification de sa fréquence propre:

- soit par un réglage de la capacité C du condensateur (condensateur variable)

- soit par un réglage de l'inductance de la bobine (obtenu en faisant coulisser un noyau de ferrite à l'intérieur de l'inductance).

Prenons cette dernière solution avec une bobine constituée d'une bonne centaine de spires de fil fin (L de l'ordre du mH). Attention la ferrite est très cassante au moindre choc (ne pas la laisser tomber)!

L'antenne a des caractéristiques (forme, longueur, orientation) qui dépendent beaucoup de la gamme d'ondes choisie. Pour les G.O., on pourra se contenter d'un conducteur de quelques mètres ou encore mieux du corps humain jouant ce rôle (faire des essais...). La liaison éventuelle de la ligne équipotentielle 0 V (ou masse) à la Terre peut parfois améliorer (voire détériorer) la réception des signaux: faire des essais. L'antenne peut dans certains cas (postes portatifs non reliés à une antenne extérieure) être constituée de la bobine elle-même: celle-ci devra alors avoir son axe parallèle à la direction de propagation (donc celle dans laquelle se trouve l'émetteur concerné); vous observerez par exemple quelle orientation vous devez donner à votre poste portatif personnel pour obtenir une réception optimale.

Bande passante (rappel): une bonne réception implique que l'intervalle {F-f, F+f} soit situé à l'intérieur de la bande passante de la chaîne de transmission (voir A.N. dans les recherches personnelles):concevoir une expérience destinée à mesurer la bande passante d'un circuit antirésonnant.

b. Étude expérimentale

Configurer l'oscilloscope en balayage temporel, avec une seule voie, réf. 0 V à mi-hauteur de l'écran, base de temps calibrée à 2 ms/cm, voie 1 (avec un calibre de grand gain) sur le point A du montage. Chercher soigneusement l'accord (réglage de l'inductance donnant l'amplitude maxima de signal à l'écran) avec le noyau de ferrite, et ne plus modifier sa position. Observer alors la forme du signal obtenu.

Mesurer l'amplitude moyenne Û du signal observé; puis sa fréquence F en augmentant évidemment la vitesse de balayage (ce qui demandera probablement, pour avoir un oscillogramme satisfaisant, de passer en déclenchement manuel). De quel émetteur s'agit-il? Calculer la valeur de L ainsi déterminée.

Chercher au niveau de l'antenne les réglages optima d'après les paramètres vus au § (a). Chercher de même les fréquences d'ondes porteuses d'autres stations éventuellement captées:

France inter: 1 829 m Europe 1: 1 648 m RTL: 1 282 m RMC: 1 400 m

(rappel: c=3*108 m/s pour les ondes électromagnétiques dans le vide ou l'air).

Revenir à une vitesse de balayage de 2 ms/cm: la modulation d'amplitude est-elle visible?

2. Pré amplification H.F.

a. Principe

Le potentiel mesuré précédemment au point A n'est en général (sauf tout près d'un émetteur) pas suffisant: il doit dépasser la tension de seuil de la diode de détection de l'étage suivant: il faut donc préalablement amplifier le signal. L'amplificateur utilisé ici est de type non inverseur (il n'inverse pas le signe de la tension) à amplificateur opérationnel. on établira en recherche personnelle que son coefficient d'amplification - ou gain - en tension est donné par:

Combien ce gain vaudra-t-il approximativement avec les valeurs du schéma?

b. Étude expérimentale

Relier la voie 1 de l'oscilloscope en B: qu'est devenue l'amplitude moyenne du signal? Que vaut son rapport à celle en A? Comparer à la valeur du gain calculée précédemment. La modulation d'amplitude est-elle observable? Tenter d'expliquer pourquoi elle n'est pas stable.

3. Détection

Principe

L'ensemble (diode germanium filtre R'-C') a pour effet de supprimer la porteuse H.F. pour conserver seulement son enveloppe, qui représente la modulation B.F. Calculer la constante de temps t de ce circuit R'-C' et la comparer à la période du signal H.F. ainsi qu'à celle du signal de modulation B.F. Conclure.

Expérience

Commuter l'oscilloscope en bi-courbe, base de temps toujours à 2 ms/cm, voie 1 en B et voie 2 en C (toutes les deux à 50 mV/cm) avec leurs niveaux zéro respectivement sur les moitiés supérieure et inférieure de l'écran. Observer l'oscillogramme d'abord sans le condensateur, puis avec. 

En comparant les signaux des deux voies, vérifier qu'on obtient bien ainsi "l'enveloppe" du signal modulé en amplitude. Quel est l'ordre de grandeur de la fréquence du signal obtenu? Est-il ""H.F." ou "B.F."? L'observation devant se faire (comme habituellement) sur la position "DC" du sélecteur d'entrée, expliquer ce qui se passe pour le signal de la voie 2 lorsque ce sélecteur est glissé sur "AC". En déduire la valeur de la composante continue superposée au signal en C. Comment peut-on l'éliminer?

4. Filtrage B.F.

On a déjà vu dans un T.P. précédent qu'un condensateur C" placé en série peut remplir cette fonction. Il est ici complété par un résistor R" placé en parallèle sur l'étage. 

 

Ajouter ce filtre au point C du montage en cours, en prenant C"=0.68 µF et R"=220 kW. Observer le nouvel oscillogramme en comparant les signaux aux points D (voie 2) et B (voie 1): à quelle valeur estimez-vous cette composante continue? La commutation du sélecteur DC/AC a-t-elle encore une action sur l'aspect du signal en D? Pourquoi?

 

5. Amplification B.F. et restitution sonore

Principe

Dans certains cas de voisinage d'un émetteur le signal peut être assez puissant pour être audible sur un casque ou un écouteur branché directement entre la sortie D et la masse; mais en général il faudra amplifier ce signal B.F...

pour alimenter un écouteur, un amplificateur à A.O. suffit, tel que le montage amplificateur inverseur ci-contre; on pourra montrer dans les recherches personnelles que son gain est donné par:

pour exciter une bobine de haut-parleur, il faut un montage débitant une intensité nettement plus importante, par exemple un montage "push-pull" à deux transistors de puissance (voir schéma en annexe).

Expérience

Alimenter la platine de l'amplificateur push-pull en ± 15 V, positionner sur zéro le petit bouton de réglage du volume, et raccorder à son entrée la sortie du filtre précédent. En laissant la voie 1 de l'oscilloscope en D, relier la voie 2 (calibrée à 500 mV/cm) à E: en tournant au maximum (à fond à droite) le bouton de réglage du niveau sonore, comparer les signaux et évaluer le coefficient d'amplification en tension de ce dernier étage. Brancher le haut-parleur en E et affiner le réglage du circuit d'accord.

CA DOIT MARCHER!!! 

Rechercher ensuite les différentes stations audibles.

C. Les acquisitions

1. Protocole d'acquisition

Acquérir les signaux 2 par 2 (2 voies de l'oscilloscope actives), en comparant à chaque fois le signal à l'entrée et à la sortie de chaque étage.

2. Transfert vers Regressi

Cliquer sur   pour transférer les données vers Regressi.

 

retour sommaire chapitre en cours

(1) Ou même 100 fois pour certains signaux à la forme plus complexe

(2) Accessible seulement pour des signaux périodiques et "propres", à condition d'avoir les dernières versions du logiciel Regressi pour GTS2 (automne 02)

(3)  Le nombre de points transmis dépend en réalité de l'oscilloscope: 1000 pour les Métrix, 1024 pour le HP 54600, 4000 pour les Hameg, etc.)

Ó COPYRIGHT, Paris 2008-2009, MICRELEC tous droits réservés pour tous pays